由于生产自动化及各种自动控制、顺序控制设备的出现,要求电机经常运行在频繁的起动、制动、正反传、间歇以及变负荷等各种方式。电机的运行要求越来越高。同时,由于电机与配套机械连在一起,当电机发生故障时,经常波及生产系统。因此,对电机实行有效的保护是保证生产系统正常工作的一项重要任务。
随着科学技术的发展,电机保护装置中逐渐使用了电子保护装置。在国外,目前电子保护装置已在电力系统和电机保护装置中获得了广泛应用,国内也开始推广[1]。电子保护装置的优点是:基本上由静止元件组成。它动作速度快,不存在机械位移和磨损,精度和寿命一般均比有触点继电器高,耐冲击和振动,可靠性好。另外,电子电路动作功率小,灵敏度高。
数字信号处理器(DSP)具有流线型操作功能和单周期完成乘法的结构,由其组成的系统能实时进行频谱分析。高速14位A/D转换器MAX126带多路开关和采样保持器,非常适用电机信号的采集。为了实现对电机的可靠保护,提出了以TMS320LF2407的为核心,对过载、轻载、不平衡、断相、过压和欠压等常见故障具有综合检测保护功能的智能电机保护器。
1 系统基本原理和设计思想
电机运行中常常会出现不正常的运行状态。这些不正常的运行状态包括:过载、堵转、短路、轻载、不平衡、断相、过压、欠压和漏电。电机保护是在检测三相电压UA、UB、UC,三相电流IA、IB、IC和漏电流IL的基础上做出的。具体过程如下:
(1) 设置各个参数,由PC机发出控制信号;
(2) 采样三相电压、三相电流和漏电流,得到实时值;
(3) 利用FFT算法对数据进行处理和计算,得到三相电压、电流的有效值、有功功率、无功功率以及功率因数;
(4) 判断电机是否处于不正常的运行状态;
(5) 通过RS-485接口把数据发送到显示部分,显示在LCD上。
系统的硬件框图如图1所示。CPU选用TI公司的TMS320LF2407,其丰富的硬件资源在系统中得到了充分的应用,加上少量的外围器件,就构成了一个功能完善、简便适用的系统。

图1 硬件框图
2 系统硬件设计
2.1 TMS320LF
TMS320LF2407也称为DSP控制器,是TI公司专门针对电机、逆变器、机器人、数控机床等控制而设计的[2-4]。TMS320LF2407采用高性能静态CMOS技术,使得供电电压降为3.3V,减小了控制器的功耗;30MIPS的执行速度使得指令周期缩短到33ns(30MHZ),从而提高了控制器的实时控制能力。它包括了两个事件管理器模块EVA和EVB,能够实现:三相反相器控制;PWM的对称和非对称波形;3个捕获单元;16通道A/D转换器。事件管理器模块适用于控制交流感应电机、无刷直流电机、开关磁阻电机、步进电机、多级电机和逆变器。
2.2 TMS320LF2407和MAX126的接口电路
TMS320LF2407芯片内部虽然包含双10位的A/D转换模块,但只能同时采样和转换两个输入通道,不满足电机监控系统同时采样多路的要求。MAX126是MAXIM公司生产的高速14位逐次比较型A/D转换芯片,4路同步采样/保持器可以对4个通道的信号同时采样。
本系统采样7路信号,所以使用两片MAX126芯片,且都工作于A组多路开关、4路采样,转换时间为12ms。DSP和MAX126的接口电路如图2所示[5]。通过不同的I/O操作就可以控制MAX126正常工作。

图2 DSP和MAX126的接口
2.3 显示电路
显示电路以AT89S52为核心,液晶显示模块采用MGLS240128T,接口电路如图3所示。
液晶显示模块控制器T6963C的数据总线DB0~DB7与AT89S52的P0口相连。T6963C的读写控制信号RD/WD分别由AT89S52的外部ROM读写控制信号RD/WD控制。CE是片选信号,由AT89S52的P2.7控制,低电平时选通。C/D为寄存器选择信号,输入低电平表示本次读写的是数据;输入高电平表示本次写的是命令,读的是T6963C的状态。

图3 显示部分电路图
2.4 通讯电路
本系统采用总线型分布式网络结构。网络结构如图4所示。各保护器通过MAX485组建RS485通讯总线,PC机和RS485总线之间通过RS232/RS485转换卡连接。
PC机的功能是提供良好的操作界面,允许管理者修改参数。管理者通过操作界面可以向各保护器发送控制命令。保护器可以接收主机的命令,根据命令驱动电气设备的合闸或跳闸,以及测量各个电气参数,并将电气参数传输到显示模块显示。
显示部分使用LCD模块显示电气参数。

图4 通讯结构图
各保护器和485总线的接口电路如图5所示。MAX485芯片为RS485芯片,两个控制端由DSP的两个I/O口控制,另外由一个I/O口负责数据的传输方向的选择。

图5 RS485接口电路
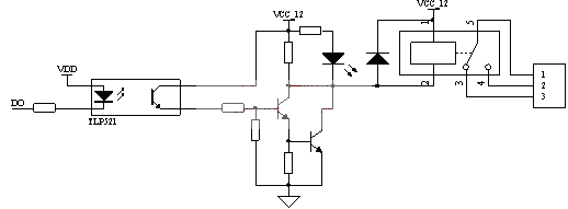
2.5 保护动作电路
所有保护电路的执行电路如图6所示,主要是通过继电器的通断来完成。如果电机发生故障,则DSP芯片产生低电平,促使光耦导通,从而使继电器动作,保护了电机。

图6 保护电路
3 系统软件设计
有了硬件运行平台,必须设计相应的软件才能发挥其应用的功效。由于软件的灵活性,可以根据系统的要求随意的更改、增减,所以系统的智能化程度很大部分取决于软件结构是否合理,功能是否全面。
保护器DSP部分采用C语言编程,控制软件主要由控制程序、显示程序、通讯程序等组成。
4.1 控制程序
智能电机保护器通过检测线路中的电流和电压,经计算、分析来实现各种保护功能,并且实时显示线路的参数和记录故障状态。
本系统通过TMS320LF2407内部定时器中断启动A/D转换。设定初始采样频率2.56KHz,则采样间隔 390.625ms,即390.635ms触发一次A/D。MAX126的12路A/D转换完成后,发送中断请求信号到DSP的XINT1脚。控制程序的流程图如图7所示。

图7 控制程序流程图
4.2 中断程序
中断程序的功能是采样和存储采样数据。在电机保护系统中,一般存储数据的下一步就是对各相的电压和电流采样值进行FFT分析,因此在存储数据时要注意以下两个问题:
(1) 尽管电压和电流采样的数据是离散实数序列,但是进行FFT后,变成FFT复数序列,因而一般将A/D转换后的电压和电流实数序列看成虚部为零的复数序列,用连续的内存空间存放复数,实部在前,虚部在后。
(2) FFT的输入和输出序列存在“正序—逆序”或者“逆序—正序”的关系,所以为了简化后续计算,在存储采样数据时一般采用“逆向进位加变址量”的间接寻址方式,DSP中的指令为*BR0+。
中断部分的程序流程图如图8所示:

图8 中断程序流程图
4.3 显示程序
显示部分的程序流程图如图9所示。

图9 显示程序流程图
4.4 通讯程序
通讯部分主要是两部分组成的:1、PC和DSP之间的485通讯;2、DSP和AT89S52之间的RS485通讯。
PC机部分用Labview编程。Labview提供了功能强大的VISA(Virtual Instrument Software Architecture)库,完成计算机与仪器之间的连接,用以实现对仪器的程序控制。
AT89S52从DSP接收数据,然后显示在LCD上。相互之间通讯的规约为F0+10datas+0F,即先判断是否得到起始信号F0,如果是,就接收11个数据,然后判断最后一个数据是否为0F,如果不是,丢弃这组数据,重新接收。
4 实验结果
系统测试的部分结果如表1所示。

表1 参数检测结果
测试时电机电压和电流的实际值为220V、10A,根据测量结果,A、B、C三相的电压和电流测量精度都达到了要求。
5 结语
本文提出的基于TMS320LF2407的智能电机保护器充分利用了DSP的资源,用少量的外围器件构成了一个功能完善、性能优良的廉价实用系统,保证了生产系统可靠运行,为实现电机保护装备低成本开发和更新换代提供了一条切实可行的途径。该保护器在电机保护中将有很好的应用前景。