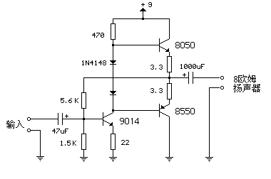
这里介绍一个设计小巧、线路简单但性能不错的三管音频放大器。其电路见附图。也许你在一些袖珍晶体管收音机可以看到一些与此类似的电路。
原理分析:
电路如图所示,输入极(9014)的基极工作电压等于两输出极三极管的中点电压,一般为电源电压的一半,这个电压的稳定由输出三极管的基极的两个二极管控制。3.3欧姆电阻串联在输出三极管的发射极上,以稳定偏流。以减小环境温度、不同器件(如二极管、输出三极管)参数区别对电路的影响。当偏流增加时,输出三极管发射极与基极间电压会减小,以减小偏流。此电路输入阻抗为500欧姆,在使用8欧姆扬声器时,电压增益为5。

电路在不失真输出50mW的功率时,扬声器上有约2V左右的电压摆动。增加电源电压可提高输出功率,但此时应注意输出晶体管散热问题。在9V电源电压时,电路耗电约30mA。制作时要注意两个输出功率管放大倍数应接近。其它器件参数可以参考图示选择。 此电路适合于制作成耳机放大器或其它小功率放大器用。由于它是一个很典型的功放电路,所以非常适合初学者学习功放电路原理之余,动手实践制作时的参考电路。