TI公司的MSP430F471xx系列是超低功耗微控制器,有6或7个16位sigma-delta A/D转换器,主要用于多相电表,每路可作为差分输入对和有可编程输入增益.此外还集成了两个16位计时器,四个通用串行通信接口(USCI),DMA,68个I/O引脚,和具有对比度控制的LCD驱动器. MSP430F471xx的工作电压为1.8V-3.6V,工作模式在1MHz 2.2V时的电流为350uA,待机模式电流为1.1uA,有5种降功耗模式.本文介绍了MSP430F471xx系列的主要特性,各个端口的输入/输出带施密特触发器, 采用MSP430F471xx的三相电度表,电压输入和电;流输入的模拟前端, 基于变压器的电表电源和采用单电容的电表电源以及电表电路图.
The Texas Instruments MSP430 family of ultralow-power microcontrollers consists of several devices featurin different sets of peripherals targeted for various applications. The architecture, combined with five low-power modes is optimized to achieve extended battery life in portable measurement applications. The device features a powerful 16-bit RISC CPU, 16-bit registers, and constant generators that contribute to maximum code efficiency. The digitally controlled oscillator (DCO) allows wake-up from low-power modes to active mode in less than 6µs.
The MSP430F471xx series are microcontroller configurations targeted to poly-phase electricity meters with six or seven 16-bit sigma-delta A/D converters. Each channel as a differential input pair and programmable input gain. Also integrated are two 16-bit timers, four universal serial communication interfaces (USCI), DMA, 68 I/O pins, and a liquid crystal driver (LCD) with integrated contrast control.
MSP430F471xx主要特性:
Low Supply-Voltage Range: 1.8 V to 3.6 V
Ultralow Power Consumption
Active Mode: 350 µA at 1 MHz, 2.2 V
Standby Mode: 1.1 µA
Off Mode (RAM Retention): 0.2 μA
Five Power-Saving Modes
Wake-Up From Standby Mode in Less Than 6 μs
16-Bit RISC Architecture, 62.5-ns Instruction Cycle Time
Three-Channel Internal DMA
Six or Seven 16-Bit Sigma-Delta Analog-to-Digital (A/D)
Converters With Differential PGA Inputs
16-Bit Timer_B With Three Capture/Compare-With-Shadow Registers
16-Bit Timer_A With Three Capture/Compare Registers
On-Chip Comparator
Four Universal Serial Communication Interface (USCI) Modules
USCI_A0 and USCI_A1
Enhanced UART Supporting
Auto-Baudrate Detection
IrDA Encoder and Decoder
Synchronous SPI
USCI_B0 and USCI_B1
I2C
Synchronous SPI
Integrated LCD Driver With Contrast Control for Up to 160 Segments
Basic Timer With Real-Time Clock Feature
32-Bit Hardware Multiplier
Brownout Detector
Supply Voltage Supervisor/Monitor With Programmable Level Detection
Serial Onboard Programming, No External Programming Voltage Needed
Programmable Code Protection by Security Fuse
Bootstrap Loader
On-Chip Emulation Module
Family Members Include
MSP430F471xx 应用信息:

图1.端口P1, P1.0 到P1.5, 输入/输出带施密特触发器

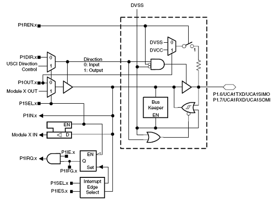
图2.端口P1, P1.6和P1.7, 输入/输出带施密特触发器

图3.端口P2, P2.0 到P2.5, 输入/输出带施密特触发器

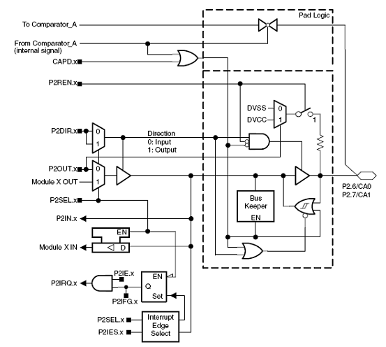
图4.端口P2, P2.6和P2.7, 输入/输出带施密特触发器

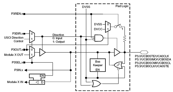
图5.端口P3, P3.0 到P3.3, 输入/输出带施密特触发器

图6.端口P3, P3.4 输入/输出带施密特触发器

图7.端口P3, P3.5 到P3.7, 输入/输出带施密特触发器

图8.端口P4, P4.0 和P4.1, 输入/输出带施密特触发器

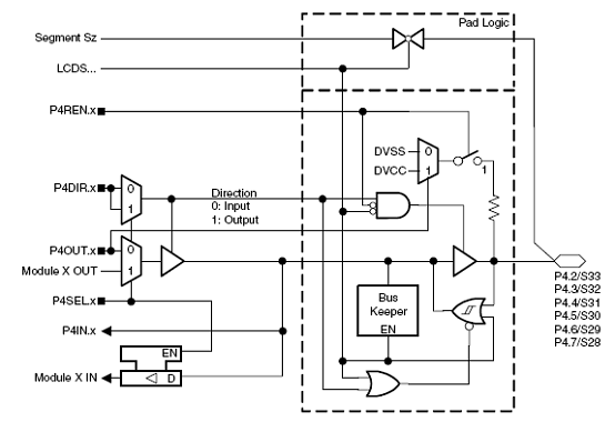
图9.端口P4, P4.2 到P4.7 输入/输出带施密特触发器

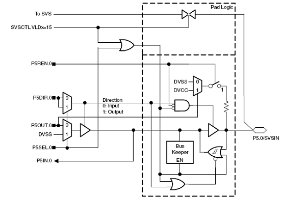
图10.端口P5, P5.0, 输入/输出带施密特触发器

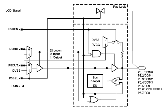
图11.端口P5, P5.1到P5.7, 输入/输出带施密特触发器

图12.端口P7到P10, 输入/输出带施密特触发器
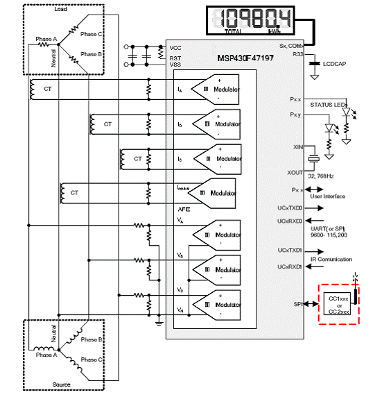
采用MSP430F471xx的三相电度表
Implementation of a Three-Phase Electronic Watt-Hour Meter Using the MSP430F471xx This application report describes the implementation of a three phase electronic electricity meter using the Texas Instruments MSP430F471xx system-on-chip (SOC) processor.
This application report includes the necessary information with regard to metrology software, hardware and calibration procedures for this single chip implementation. Results are included at the end, which show performance of this device for three phase using current transformers as sensors.

图13.采用MSP430F47197的三相四线星形连接图

图14.电压输入的模拟前端

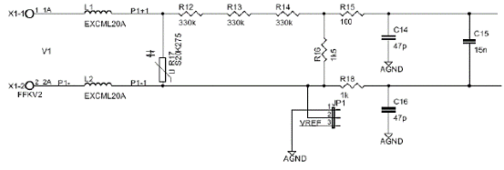
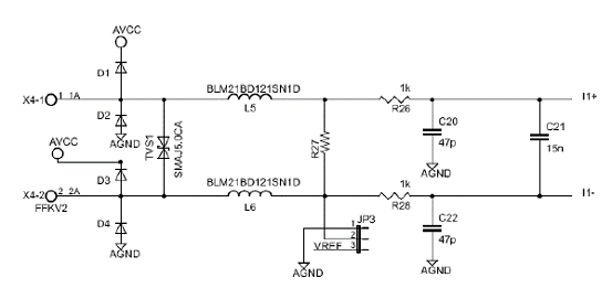
图15.电流输入的模拟前端

图16.MSP430电表的单电容电源

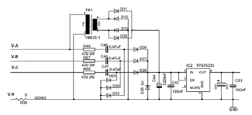
图17.MSP430电表的基于变压器的电源

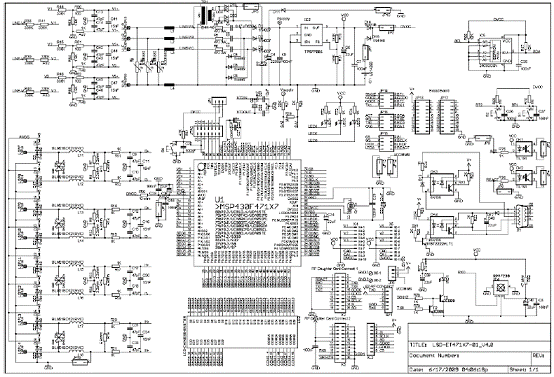
图18.MSP430F47197电表电路图