Wolfson 公司的WM8524是24位192kHz立体声DAC,具有2Vrms参考地线输出. WM8524集成了电荷泵和硬件控制接口.音频性能包括-106dB的SNR,-93dB的THD以及120dB的静音衰减.数据格式有,单电源+3.3V ±10%工作.主要在数字音频应用如游戏机,STB,A/V接收机,DVD播放器和数字电视.本文介绍了WM8524的主要特性,方框图, 推荐的外接元件和低通滤波器以及WM8524评估板方框图与各部分电路图和所用材料清单(BOM).
M8524:24-bit 192kHz Stereo DAC with 2Vrms
Ground Referenced Line Output The WM8524 is a stereo DAC with integral
charge pump and hardware control interface. This provides 2Vrms
line driver outputs using a single 3.3V
power supply rail.
The device features ground-referenced outputs and the use of a DC servo to eliminate the need for
line driving
coupling capacitors and effectively eliminate
power on pops and clicks. The device is controlled and configured via a hardware control interface.
The device supports all common
audio sampling rates between 8kHz and 192kHz using all common MCLK fs rates. The
audio interface operates in slave mode.
The WM8524 has a 3.3V tolerant digital interface, allowing logic up to 3.3V to be connected.
The device is available in a 16-pin
TSSOP.
WM8524主要特性:
High performance stereo DAC with ground referenced
line driver
Audio Performance
106dB SNR (‘A-weighted’)
-93dB THD @ -1dBFS
120dB mute attenuation
All common sample rates from 8kHz to 192kHz supported
Hardware control mode
Data formats: LJ, RJ, I2S
Maximum 1mV DC offset on Line Outputs
Pop/Click suppressed Power Up/Down Sequencer
AVDD and LINEVDD +3.3V ±10% allowing single supply
16-lead
TSSOP package
Operating temperature range: -40℃ to 85℃
WM8524应用:
Consumer digital
audio applications requiring 2Vrms output
Games Consoles
Set Top Box
A/V Receivers
DVD Players
Digital TV

图1.WM8524方框图

图2.推荐的WM8524外接元件

图3.推荐的WM8524模拟低通滤波器(所示为1路)
WM8524评估板
The WM8524 is a hardware controlled HiFi DAC featuring 2VRMS ground referenced line outputs, integral
charge pump and DC Servo. This evaluation platform has been designed to allow the user ease of use and give optimum performance in device measurement as well as providing the user with the ability to listen to the excellent audio quality offered by the WM8524.
This evaluation platform and documentation should be used in conjunction with the latest version of the WM8524 datasheet. The datasheet gives device functionality information as well as timing and data format requirements

图4.WM8524评估板方框图

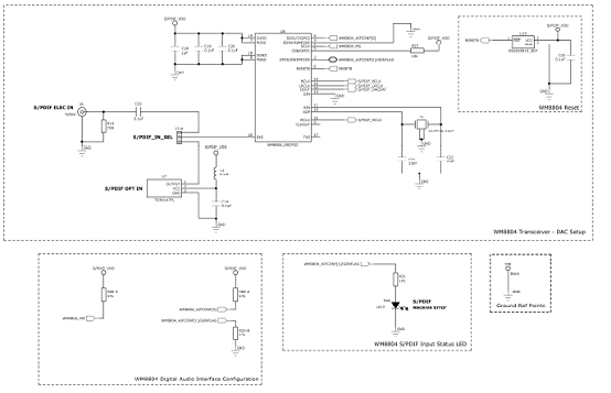
图5.WM8524评估板电路图:S/PDIF输入

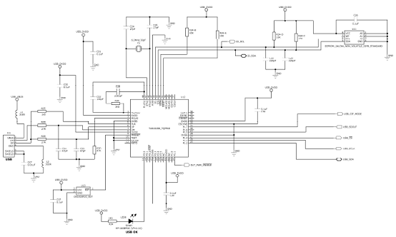
图6.WM8524评估板电路图:USB接口

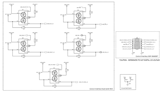
图7.WM8524评估板电路图:控制接口电平转换

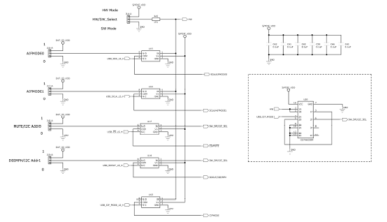
图8.WM8524评估板电路图:HW / SW 选择

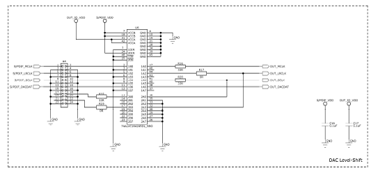
图9.WM8524评估板电路图:音频接口电平转换

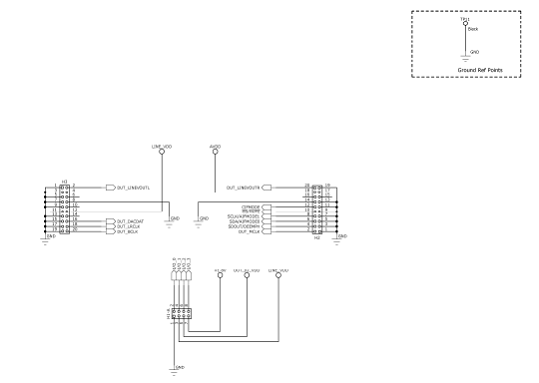
图10.WM8524评估板电路图:小型板连接

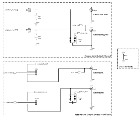
图11.WM8524评估板电路图:模拟输出

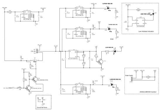
图12.WM8524评估板电路图:USB 电源

图13.WM8524评估板电路图:外接电源

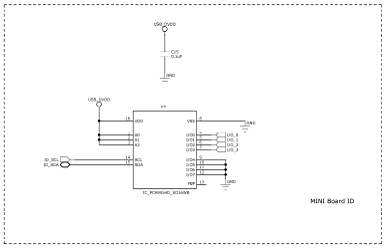
图14.WM8524评估板电路图:板ID
WM8524评估板材料清单(BOM):


