Freescale 公司的iMAX25是基于400MHz的ARM926EJ-S的应用处理器,具有丰富的连接性能,包括以太网,集成了PHY的USB 2.0,两个MMC/SD/SDIO端口和SVGA(800x600)显示控制器,主要用在对成本敏感的工业和通用嵌入式应用.而
MC34704是多路电源管理IC(PMIC),输入电压2.7V到5.5V,能源可以是1节锂离子/聚合物电池(2.7V-4.4V),或5.0V USB电源或AC墙适配器.本文介绍了iMAX25应用处理器的主要特性和方框图以及电源管理IC
MC34704主要特性, i.MX25 系统电源框图,电路图和所用材料清单(BOM).
The total voltage supply range the IC accommodates is 2.7 V to 5.5 V.
Freescales ARM926EJ-S based i.
MX253 applications processor targets cost sensitive industrial and general embedded applications, without sacrificing on
performance or connectivity. The i.
MX253 is packed with connectivity options including Ethernet, USB 2.0 with
integrated PHYs, two MMC/SD/SDIO ports, and an SVGA (800x600) display controller enabling
devices with high resolution, color-rich displays.
Along with its extensive connectivity options,
support for external DDR2
memory and NAND flash simplifies board
design and reduces cost. The i.
MX253 enables cost effective and feature-packed solutions for applications including HMI, multi-function portable printers, and patient monitoring
devices.
i.MX253主要特性:
CPU Complex
ARM926EJ-S
400 MHz maximum speed
128KB
integrated SRAM
16 KB I/D L1 Cache
Multimedia
LCD Controller
Connectivity
External
memory interface: DDR2, mDDR, SDRAM, mSDRAM, NOR, SLC/MLC NAND 10/100 Ethernet MAC
480Mbps USB 2.0 OTG + PHY
480Mbps USB 2.0 Host + PHY
5 x UART, 3 x CSPI, 3 x I2C, 2 x SSI/I2S, ESAI
2 x MMC+/SD/SDIO
PATA/CE-ATA
3 x12-bit ADC
3.3V General Purpose I/O

图1. i.MX253方框图
MX25 Power Management Using the
MC34704The MC34704 family features both a 5-channel (MC34704B) and an 8-channel (MC34704A) power management IC (PMIC), housed in a 56 pin QFN package with pin-to-pin compatibility between both ICs. It is meant to address power management needs for various components and loads, with a target overall efficiency of > 89% at typical loads.
The MC34704 accepts an input voltage from 2.7 V to 5.5 V, from various sources:
1-cell Li-Ion/Polymer (2.7 V to 4.2 V)
5.0V USB supply or AC wall adapter
The total voltage supply range the IC accommodates is 2.7 V to 5.5 V.
Taking advantage of its buck/boost blocks, the MC34704 is a highly flexible power management unit. Output voltages can be ranged between 0.6 V to 3.6 V, even if low voltage is supplied by the battery.
Additionally, the Dynamic Voltage Scaling (DVS) feature allows programming the output voltages (±20% of the nominal voltage), with the I2C bus on the fly. Hence, the dynamic power consumption of the i.MX can be dramatically reduced.
MC34704主要特性:
8 DC/DC switching regulators with up to ±2% output voltage accuracy
Programable Switching Frequency from 250 KHz - 1.0 MHz and 750 KHz to 2.0 MHz
Effective Efficiency from 85% to 95% on REG1 - REG5 and 65% to 78% on REG6 - REG8
DVS (Dynamic voltage scaling) on all regulators.
I2C programmability
OV/UV detection for each regulator
Over-current limit detection and short-circuit protection.
Thermal limit detection (except REG7)
Internal compensation for REG1, REG3, REG6, and REG8
True cutoff on all of the boost and buck-boost regulators.

图2.MC34704方框图

图3.i.MX25 应用处理器电源详图

图4.推荐的i.MX25 加电顺序

图5.i.MX25 系统电源框图

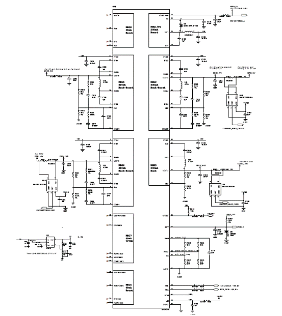
图6.i.MX25 电源管理电路图
简化的材料清单(BOM):
