Avago 公司的ALM-1522是700-1100MHz 低噪音高增益高线性平衡放大器模块,采用0.25um GaAs 增强模式
pHEMT技术. ALM-1522在900MHz时增益可达31dB,噪音为0.6dB, 27.7 dBm OP1dB, 43 dBm OIP3,而反相隔离为45dB,广泛用在GSM, CDMA, WCDMA和
TD-SCDMA基站的驱动放大器以及TMA与前端LNA.本文介绍了ALM-1522的族要特性和指标, ALM-1522E评估板电路框图和布局图以及平衡放大器评估板电路图与布局图.
ALM-1522:700 – 1100 MHz Low Noise, High Gain, High Linearity Balanced Amplifier Module
Avago Technologies’ ALM-1522 is a low noise,
high gain and
high linearity balanced amplifier module operating in the 700MHz to 1100MHz frequency range. The exception¬al noise and linearity performance are achieved through the use of
Avago Technologies’ proprietary 0.25um GaAs Enhancement-mode
pHEMT process.
The ALM – 1522 is housed in a miniature 5.0 x 6.0 x 1.1 mm3 22-lead multiple-chips-on-board (MCOB) modu m8le package. The compact footprint and low
profile makes the ALM-1522 an ideal choice for Wireless Infrastructure Basestation Tower-Mounted-Amplifiers (TMA), Radiocard Receivers, Multi-Carrier Driver Amplifiers for GSM, CDMA, W-CDMA,
TD-SCDMA base stations operating in the 700MHz to 1100MHz
band.
ALM-1522主要特性:
Low noise figure
High linearity and OP1dB
5V supply
Adjustable current for optimum NF or OIP3
High gain : 31dB
Shutdown function
GaAs E-
pHEMT Technology
Miniature package size : 5.0 x 6.0 x 1.1 mm3
Tape-And-Reel packaging option available
MSL-3 and Lead-free
Meets ESD 100V Machine Model per EIA/JESD22-A115, and 500V Human Body Model per EIA/JESD22-A114
Can be used in single-ended or balanced configuration
Unconditionally stable
Green/RoHS Compliant
ALM-1522指标:
900 MHz; 5V, Quiescent Idd=240 mA (typ) per channelVctrl at 2.7V
31 dB Gain
0.6 dB Noise figure
27.7 dBm OP1dB
43 dBm OIP3
45 dB Reverse Isolation
应用:
TMA & Front End LNA for GSM, CDMA, W-CDMA,
TD-SCDMA base stations.
Driver amplifier for GSM, CDMA, W-CDMA, TD-SCDMA base stations.

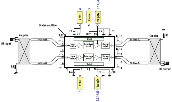
图1.ALM-1522E评估板电路框图

图2.ALM-1522E评估板布局图

图3.平衡放大器评估板电路图

图4.推荐的平衡放大器评估板布局图