Avago 公司的ADNS-9500 LaserStream是游戏传感器,在单片封装内包含了传感器和垂直孔表面发射激光(VCSEL),具有增强性特性如可编程帧速率,可编程分辨率,可配置睡眠和叫醒时间,以适合各种PC机游戏参数.双电源3V或5V工作,16位运动数据寄存器,高速运动检测150ips和高达30g的加速度,帧速率高达11750fps,分辨率高达5000cpi,增量约为90cpi,X轴和Y轴可单独设定分辨率,主要用在有绳和无绳游戏激光鼠标,光学跟踪球和运动输入.本文介绍了ADNS-9500的主要特性,方框图, 应用电路图以及3V无绳鼠标电路图和单故障检测和眼安全特性方框图.
The ADNS-9500 LaserStream gaming sensor comprises of sensor and VCSEL in a
single chip-on-board (COB) package. ADNS-9500 provides enhanced features like pro-grammable frame
rate, programmable resolution, configurable sleep and wake up time to suit various PC gamers’preferences.
The advanced class of VCSEL was engineered by
Avago Technologies to provide a
laser diode with a
single longitudinal and a
single transverse mode.
This LaserStream gaming sensor is in 16-pin integ
rated chip-on-board (COB) package. It is designed to be used with ADNS-6190-002 small form factor (SFF) gaming
laser lens to achieve the optimum performance featured in this document. These parts provide a complete and compact navigation
system without moving part and
laser calibration process is NOT required in the complete
mouse form, thus facilitating high volume assembly.

Theory of Operation
The sensor is based on LaserStream technology, which measures changes in position by optically acquiring sequential surface images (frames) and mathematically determining the direction and magnitude of movement. It contains an Image Acquisition System (IAS), a Digital Signal Processor (DSP), and a four wire serial port. The IAS acquires microscopic surface images via the
lens and illumination
system. These images are processed by the DSP to determine the direction and distance of motion. The DSP calculates the Δx and Δy relative displacement values. An external microcontroller reads the Δx and Δy information from the sensor serial port. The microcon troller then translates the data into PS2, USB, or RF signals before sending them to the host PC or game console.
ADNS-9500主要特性:
Small form factor chip-on-board package
Dual power supply selections, 3V or 5V
VDDIO range: 1.65 – 3.3V
16-bits motion data registers
High speed motion detection at 150ips and acceleration up to 30g
Advanced technology 832-865nm wavelength VCSEL
Single mode lasing
No laser power calibration needed
Compliance to IEC/EN 60825-1 Eye Safety
Class 1 laser power output level
On-chip laser fault detect circuitry
Self-adjusting frame
rate for optimum performance
Motion detect pin output
Internal oscillator–no external clock input needed
Enhanced Programmability
Frame rate up to 11,750 fps
1 to 5 mm lift detection
Resolution up to 5000cpi with ~90cpi step
X and Y axes independent resolution setting
Register enabled Rest Modes
Sleep and wake up times
ADNS-9500应用:
Corded and cordless gaming laser mice
Optical trackballs
Motion input devices

图1.ADNS-9500方框图

图2.ADNS-9500应用电路图

图3. 3V无绳鼠标电路图

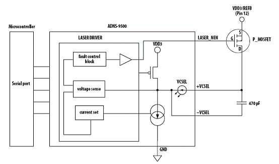
图4.ADNS-9500单故障检测和眼安全特性方框图