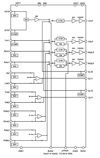
NJR 公司的NJM2525是集成了SD/HD LPF的4路视频放大器,包括用于复合和分量信号的2进1出的选择器. 绝缘放大器消除了外部设备所带来的共模噪音. NJM2525工作电压从4.5V到5.5V,6dB放大器,75欧姆驱动电路,可用于AV设备如家庭影院系统,AV接收器等.本文介绍了NJM2525的主要特性,方框图,测试电路以及应用电路.
The NJM2525 is 4ch
video amplifier with SD/HD LPF. The NJM2525 includes 2in-1out selector for the composite and component signal. The isolation amplifier eliminates the
common mode noise from external equipment. The NJM2525 is suitable for the AV equipment such as the home theater
systems and AV receivers that switch the internal Video signal and the external Video signal.
NJM2525主要特性:
Operating
Voltage (4.5 to 5.5V)
SD/ HD LPF (6.75MHz/ 13.5MHz/ 30MHz)
6dB amplifier
75
Driver Circuit
Y/C MIX Circuit
Isolation amplifier
Power Save Circuit
Bipolar Technology
Package Outline (SSOP32

图1.NJM2525方框图

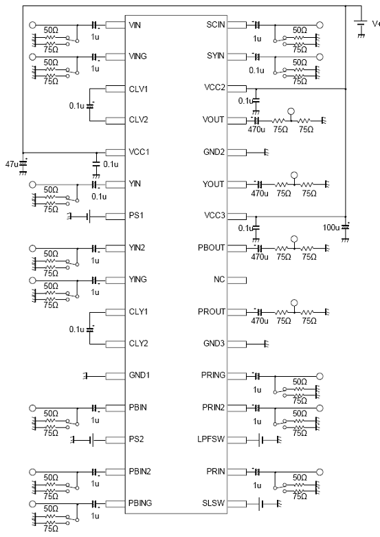
图2.NJM2525测试电路图

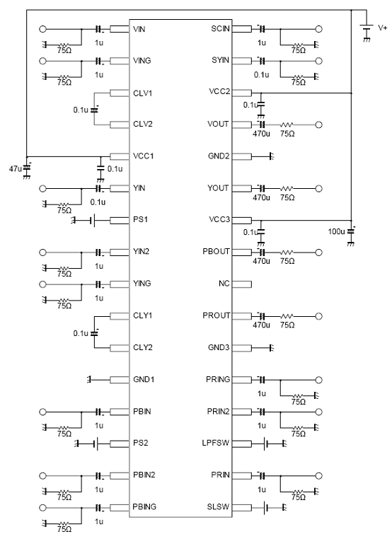
图3.NJM2525应用电路