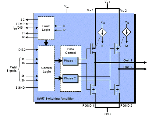
Cirrus Logic公司的SA57U是全集成的低成本智能开关放大器,设计用于驱动直流无刷电机.两个半桥电路在MCU或DSC控制器下提供超过15A的峰值输出电流. SA57U还提供热和短路保护功能.SA57U能直接连接到大多数的嵌入微控制器或数字信号控制器.工作电压从8.5V到60V,可用于双向DC电刷电机,2单向DC电刷电机,2独立电磁线圈激励器和步近马大哈.本文介绍了SA57U的主要特性, 方框图,马达控制系统方框图以及SA57-IHZ演示板电路图和材料清单.
The SA57 is a fully
integrated switching amplifier designed primarily to drive DC brush motors. Two independent half bridges provide over 15 amperes
peak output current under
microcontroller or DSC control. Thermal and short
circuit monitoring is provided, which generates fault signals for the
microcontroller to take appropriate action.
Additionally, cycle-by-cycle current limit offers user programmable hardware protection independent of the
microcontroller.
Output current is measured using an innovative low loss technique. The SA57 is built using a multi-technology process allowing CMOS
logic control and complementary DMOS output power devices on the
same IC. Use of P-channel high side FETs enables 60V operation
without bootstrap or
charge pump
circuitry.
The Power Quad surface mount package balances
excellent thermal performance
with the advantages of a low profile surface mount package.
SA57U 主要特性:
Low cost intelligent switching amplifier
Directly connects to most embedded Microcontrollers and Digital Signal Controllers
Integrated gate driver
logic with dead-time generation and shoot-through prevention
Wide power supply range (8.5V to 60V)
Over 15A
peak output current per phase
5A continuous output current per phase 8A continuous for A-Grade (SA57A)
Independent current sensing for each output
User programmable cycle-by-cycle current limit protection
Over-current and over-temperature warning signals
SA57U应用:
Bidirectional DC brush motors
2 unidirectional DC brush motors
2 independent solenoid actuators
Stepper motors

图1.SA57U方框图

图2.SA57U马达控制系统方框图
SA57-IHZ演示板
Demonstration Board for the SA57-IHZ
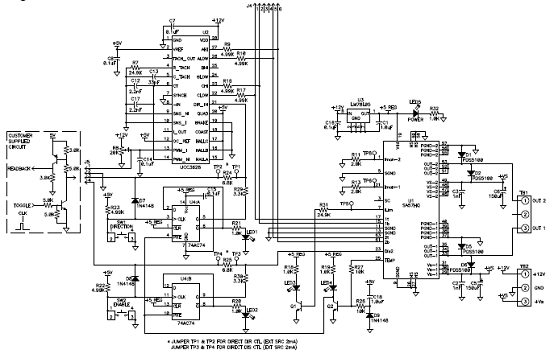
The DB63 is designed to demonstrate the capabilities of the SA57 DC brush motor driver IC. This fully assembled demonstration allows the user to directly control the speed and direction of the motor. An onboard
circuit controls the direction and provides four quadrant PWM signals to control the power outputs of the SA57. LEDs provide feedback for motor control status and fault indications. Provisions on the DB63 allow the user to bypass the onboard control circuit and directly interface with the SA57 motor driver.
The DB63 demonstrates proper layout techniques for the SA57 high current switching amplifier. The economical construction uses only a two-sided PCB and allows the SA57 to deliver
peak currents of over 1kW.

图3.SA57-IHZ演示板外形图

图4.SA57-IHZ演示板电路图
SA57-IHZ演示板材料清单(BOM):
BILL OF MATERIALS