现在开发了一种部分谐振变换器,这种变换器解决了电压谐振变换器中开关元器件的高耐压问题。所谓部分谐振变换器就是开关管导通与截止期间仅采用电压谐振的方式,其特征是开关频率尻恒定或准恒定。部分谐振电路有各种方式,这里以降压型部分谱振变换器为例,介绍其基本工作原理,电路如图所示。

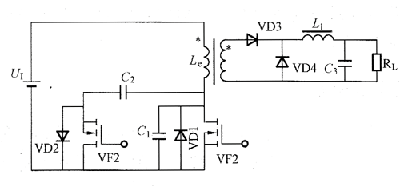
图 部分谐振变换器电路图
电路中,电感为Le的变压器和主开关管VF1构成单管变换器,辅助开关管VF2及电容C2构成开关吸收电路,也称为有源钳位电路,它消除浪涌电压并对变压器磁通复位。为了实现零电压开关工作,在主开关管VF1两端并联电容C1。VF1和VF2交替重复通/断工作,但通/断转换时VF1和VF2都有较短的截止死区时间。这期间C1和L1变为谐振状态,由此VF1两端电压缓慢上升而转为截止,实现了零电压截止工作。另外,开关管导通时二极管VD1已导通,电压变为零,由此可能实现零电压导通工作。这样,电路实现了零电压开关工作。
该电路中,开关管两端电压的峰值为UI/(I-D),式中,D为占空比。电压谐振时不会加上那么高的电压。另外,变压器的磁通稍偏离原点,这样,变压器比普通单管PWM变换器要小。若仅是减小变压器的偏磁,可以不用VF2,接入电容C2即可。