NXP公司的
CX24109是高度集成的直接下变换数字卫星电视调谐器,适用于数字视频,音频和数据接收器.和CX24121 QPSK 解调器/FEC译码器,芯片组提供完整的宽带卫星前端解决方案,能在最苛刻的卫星环境提供1-45MSps的速率,并和国际标准如DVB与DSS兼容.本文介绍了
CX24109的主要特性,功能方框图以及简化的芯片组应用电路图.
CX24109: Digital
Satellite Tuner
The CX24109 is a highly integrated, direct down-conversion satellite
tuner intended for high-volume digital video,
audio, and data receivers. When combined with the CX24121 QPSK demodulator/FEC
decoder, the chip set provides a complete broadband satellite front-end solution capable of operating from 1–45 MSps in the most demanding satellite environments. It is compatible with international standards such as DVB and DSS. The highly integrated CX24109 reduces the
tuner BOM cost and simplifies the RF layout.
CX24109主要特性:
Zero-IF architecture eliminates the
need for image reject filtering
Integrated LNA
Integrated LO with onboard VCO and synthesizer
Single +5 V supply
Reference oscillator output for demodulator
CX24109主要应用:
DBS set-top boxes
Commercial digital video,
audio, and data receivers
Digital VCRs

图1.CX24109功能方框图

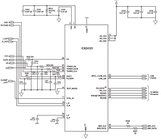
图2.CX24109 QPSK解调应用方框图

图3.简化CX24109应用电路图(1/2)

图4.简化应用电路图(2/2)