Ember 公司的EM260是ZigBee/802.15.4 网络处理器,它集成了2.4GHz, IEEE 802.15.4兼容的收发器和16位网络处理器(XAP2b内核),用以运行ZigBee兼容的网络堆栈EmberZNet.收发器的RX灵敏度为-99dBm,正常输出功率为+2.5dBm.EM260目标应用为建筑物自动化和控制,家庭自动化和控制,家庭娱乐控制以及资产跟踪.本文介绍了EM260的主要特性,方框图,典型应用电路和所用的材料清单.此外还介绍了Ember EM260 SPI/
UART 128kB开发板的主要特性和详细电路图,包括电源分布和各种电路, 主微控制器, 信号流程图, SPI/
UART和USB/DEI 逻辑以及USB, DEI, 和TTL 外接口电路图.
EM260: ZigBee/802.15.4 Network Processor
The EM260 integrates a 2.4GHz, IEEE 802.15.4-compliant transceiver with a 16-bit
network processor (XAP2b core) to run EmberZNet, the Ember ZigBee-compliant
network stack. The EM260 exposes access to the EmberZNet API across a standard SPI
module or a
UART module, allowing application development on a Host platform. This means that the EM260 can be viewed as a ZigBee peripheral connected over a serial interface. The XAP2b microprocessor is a power-optimized core integrated in the EM260. It contains integrated Flash and RAM
memory along with an optimized peripheral set to enhance the operation of the
network stack.
The transceiver utilizes an efficient architecture that exceeds the dynamic range requirements imposed by the IEEE 802.15.4-2003 standard by over 15dB. The integrated receive channel filtering allows for co-existence with other communication standards in the 2.4GHz spectrum such as IEEE 802.11g and Bluetooth. The integrated regulator, VCO, loop filter, and power amplifier keep the external component count low. An optional high-performance radio mode (boost mode) is software selectable to boost dynamic range by a further 3dB.
The EM260 contains embedded Flash and integrated RAM for program and data storage. By employing an effective wear-leveling algorithm, the stack optimizes the lifetime of the embedded Flash, and affords the application the ability to configure stack and application tokens within the EM260.
To maintain the strict timing requirements imposed by ZigBee and the IEEE 802.15.4-2003 standard, the EM260 integrates a number of MAC functions into the hardware. The MAC hardware handles automatic ACK transmission and reception, automatic backoff delay, and clear channel assessment for transmission, as well as automatic filtering of received packets. In addition, the EM260 allows for true MAC level debugging by integrating the Packet Trace Interface.
An integrated voltage regulator, power-on-reset circuitry, sleep timer, and low-power sleep modes are available. The deep sleep and power down modes draw less than 1μA, allowing products to achieve long battery life.
Finally, the EM260 utilizes the non-intrusive SIF
module for powerful software debugging and programming of the network processor.
EM260主要特性:
Integrated 2.4GHz, IEEE 802.15.4-compliant transceiver:
Robust RX filtering allows co-existence with IEEE 802.11g and Bluetooth devices
- 99dBm RX sensitivity (1% PER, 20byte packet)
+ 2.5dBm nominal output power
Increased radio performance mode (boost mode) gives – 100dBm sensitivity and + 4.5dBm transmit power
Integrated VCO and loop filter
Secondary TX-only RF port for applications requiring external PA.
Integrated IEEE 802.15.4 PHY and MAC
Ember ZigBee-compliant stack running on the dedicated network processor
Controlled by the Host using the EmberZNet Serial Protocol (EZSP)
Standard SPI or UART Interfaces allow for connection to a variety of Host microcontrollers
Non-intrusive debug interface (SIF)
Integrated hardware and software support for InSight Development Environment
Dedicated peripherals and integrated
memory Provides integrated RC oscillator for low power operation
Three sleep modes:
Processor idle (automatic)
Deep sleep—1.0μA
Power down—1.0μA
Watchdog timer and power-on-reset circuitry
Integrated AES encryption accelerator
Integrated 1.8V voltage regulator
EM260目标应用:
Building automation and control
Home automation and control
Home entertainment control
Asset tracking

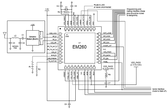
图1.EM260 方框图

图2.用于SPI协议的典型应用电路图
材料清单(BOM):

Ember EM260 SPI/UART 128kB开发板
The Ember EM260 SPI/UART 128kB Breakout Board contains the hardware stimulus for the development and deployment of a low-data-rate, low-power ZigBee application on a host microcontroller (with 128kB of Flash) communicating with the EM260 SPI/UART radio communication module (RCM). The Breakout Board allows for either a SPI or UART interface to the EM260, selectable via a toggle switch. The four-layer (FR4) Breakout Board features an Atmel host microcontroller (ATmega128L), a temperature sensor, two application buttons, a piezo buzzer, two application LEDs, and a 2吋″ x 2.6″ through-hole prototyping area. In addition, it contains a USB interface, InSight data emulation interface, regulated power planes with indicator LEDs, and direct attachment to the EM260 SPI/UART RCM. These features allow for proper development of an EM260 application.
The EM260 SPI/UART 128kB Breakout Board offers:
Host microcontroller, ATmega128L from Atmel, with 128kB Flash and 8kB RAM
AVR ISP and JTAG shrouded connectors for programming and debug
Configurable hardware support for application development
Temperature sensor
Two buttons
Piezo buzzer
Two LEDs
Selectable USB connector with RS-232 transceiver
EM260 SPI/UART RCM reset button
Host microcontroller reset button
Host microcontroller bootload button
2″x 2.6″, 0.1″pitch prototyping area
26-pin, 0.1″pitch, single-row header for access to all host GPIO signals
2 6-pin, 0.1″pitch, single-row EM260 SPI/UART RCM connectors
2 6-pin, 0.1″pitch, single-row headers for access to EZSP signals
9-pin, 0.1″pitch, single-row header footprint for access to 3.3V TTL-compliant
UART signals
26-pin, low-profile InSight data emulation interface with configuration header
Automatic DC power source selection (12V DC wall wart, 5V USB bus power, or AAA
battery pack)
Power indicator LEDs for 12V DC wall wart, 5V USB bus power, and board power
Jumper separation of module and board power for accurate module current measurements
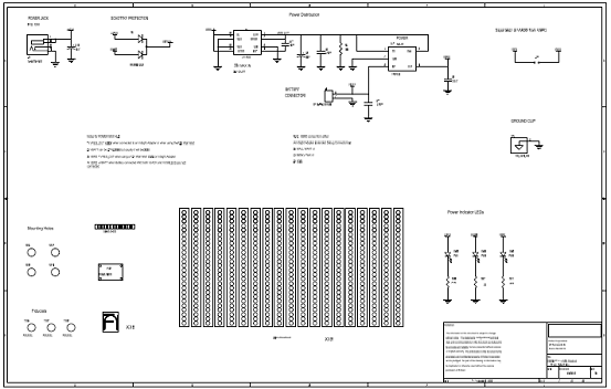
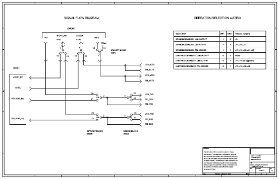
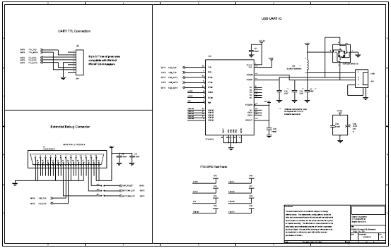
The following figures illustrate the schematic of the EM260 SPI/UART 128kB Breakout Board (0471 Version A0). Use these schematics when developing your application.

图3.EM260 SPI/UART 128kB开发板电路图(电源分布和各种电路)

图4.EM260 SPI/UART 128kB开发板电路图(主微控制器)

图5.EM260 SPI/UART 128kB开发板电路图(信号流程图)

图6.EM260 SPI/UART 128kB开发板电路图(SPI/UART和USB/DEI 逻辑)

图7.EM260 SPI/UART 128kB开发板电路图(USB, DEI, 和TTL 外接口)