网站首页
IC库存
IC展台
电子资讯
技术资料
PDF文档
我的博客
IC72论坛
ic72 logo
搜索关键字: 所有资讯 行业动态 市场趋势 政策法规 新品发布 技术资讯 价格快报 展会资讯
  • 达普IC芯片交易网 > 新闻中心 > 嵌入系统 > 正文
  • RSS
  • S3c2410的触摸屏及模数转换
    http://www.ic72.com 发布时间:2005/6/7 13:33:00
    一、触摸屏的几个概念

    所谓触摸屏,从市场概念来讲,就是一种人人都会使用的计算机输入设备,或者说是人人都会使用的与计算机沟通的设备。不用学习,人人都会使用,是触摸屏最大的魔力,这一点无论是键盘还是鼠标,都无法与其相比。

    从技术原理角度讲,触摸屏是一套透明的绝对寻址系统,首先它必须保证是透明的,因此它必须通过材料科技来解决透明问题,像数字化仪、写字板、电梯开关,它们都不是触摸屏;其次它是绝对坐标,手指摸哪就是哪,不需要第二个动作,不像鼠标,是相对定位的一套系统,我们可以注意到,触摸屏软件都不需要游标,有游标反倒影响用户的注意力,因为游标是给相对定位的设备用的,相对定位的设备要移动到一个地方首先要知道现在在何处,往哪个方向去,每时每刻还需要不停的给用户反馈当前的位置才不致于出现偏差。这些对采取绝对坐标定位的触摸屏来说都不需要;再其次就是能检测手指的触摸动作并且判断手指位置,各类触摸屏技术就是围绕“检测手指触摸”而八仙过海各显神通的。
    1、触摸屏的第一个指针:光学特性。它直接影响到触摸屏的视觉效果。但是触摸屏是多层的复合薄膜,光学特性上包括四个方面:透明度、色彩失真度、反光性和清晰度。彩色世界包含了可见光波段中的各种波长色,在没有完全解决透明材料科技之前,或者说还没有低成本的很好解决透明材料科技之前,多层复合薄膜的触摸屏在各波长下的透光性还不能达到理想的一致状态,下面是一个示意图(图6-1):
    图6-1
    由于透光性与波长曲线图的存在,通过触摸屏看到的图像不可避免的与原图像产生了色彩失真,静态的图像感觉还只是色彩的失真,动态的多媒体图像感觉就不是很舒服了,色彩失真度也就是图中的最大色彩失真度自然是越小越好。平常所说的透明度也只能是图中的平均透明度,当然是越高越好。
    反光性,主要是指由于镜面反射造成图像上重迭身后的光影,例如人影、窗户、灯光等。反光是触摸屏带来的负面效果,越小越好,它影响用户的浏览速度,严重时甚至无法辨认图像字符,反光性强的触摸屏使用环境受到限制,现场的灯光布置也被迫需要调整。大多数存在反光问题的触摸屏都提供另外一种经过表面处理的型号:磨砂面触摸屏,也叫防眩型,价格略高一些,防眩型反光性明显下降,适用于采光非常充足的大厅或展览场所,不过,防眩型的透光性和清晰度也随之有较大幅度的下降。
    清晰度,有些触摸屏加装之后,字迹模糊,图像细节模糊,整个屏幕显得模模糊糊,看不太清楚,这就是清晰度太差。清晰度的问题主要是多层薄膜结构的触摸屏,由于薄膜层之间光反复反射折射而造成的,此外防眩型触摸屏由于表面磨砂也会造成清晰度下降。清晰度不好,眼睛容易疲劳,对眼睛也有一定伤害,选购触摸屏时要注意判别。
    2、触摸屏的第二个特性:稳定性。 触摸屏是绝对坐标系统,要选哪就直接点那,与鼠标这类相对定位系统的本质区别是一次到位的直观性。绝对坐标系的特点是每一次定位坐标与上一次定位坐标没有关系,触摸屏在物理上是一套独立的坐标定位系统,每次触摸的资料通过校准资料转为屏幕上的坐标,这样,就要求触摸屏这套坐标不管在什幺情况下,同一点的输出资料是稳定的,如果不稳定,那幺这触摸屏就不能保证绝对坐标定位,点不准,这就是触摸屏最怕的问题:漂移。技术原理上凡是不能保证同一点触摸每一次采样资料相同的触摸屏都免不了漂移这个问题,目前有漂移现象的只有电容触摸屏。
    3、触摸屏的第三个特性:相应性。检测触摸并定位, 各种触摸屏技术都是依靠各自的传感器来工作的,甚至有的触摸屏本身就是一套传感器。各自的定位原理和各自所用的传感器决定了触摸屏的反应速度、可靠性、稳定性和寿命。触摸屏的传感器方式还决定了触摸屏如何识别多点触摸的问题,也就是超过一点的同时触摸怎幺办?有人触摸时接着旁边又有人触摸怎幺办?这是触摸屏使用过程中经常出现的问题,我认为最理想的方式是:超过一点的同时触摸谁也不判断,一直等到多点触摸移走,有人触摸接着又有人触摸应该是分先后都判断,当然是技术上可能的话。
    红外触摸屏靠多对红外发射和接收对管来工作,红外对管性能和寿命都比较可靠,任何阻挡光线的物体都可用来作触摸物,不过红外触摸屏使用传感器数目将近100对, 并且共享外围电路,这就要求传感器不仅本身性能好,还要求将近100对的红外二极管“光-电阻特性”和“结电容”都保持一致。实际应用中,万一有哪一对出现故障,可以在上电自检过程中发现并在此后加以忽略,靠邻近的红外线代替,由于每一对红外线只“监管”约6mm左右的窄带,而手指通常在15mm左右粗细,用户是察觉不到的。但如果生产过程没有对红外发射管进行老化测试,没有很好的质量管理体系,将近100对的传感器, 很快就不是一对两对“掉队”的问题了,总体寿命也就难以保证。下图(图6-2)是红外触摸屏的示意图

    图6-2

    电容触摸屏本身实际上是一套精密的漏电传感器,带手套的手不能触摸,由于使用电容方式,导致有漂移现象,在下节电容触摸屏有详细的介绍。超声波触摸屏有表面声波触摸屏和体波声波触摸屏,利用的都是电-声压电换能器作传感器,接收传感器和发射传感器所用的压晶体管不是一种型号,在制造时的掺杂材料略有不同,发射换能器功率大,接收换能器更加灵敏。压电换能器的寿命长,工作稳定,正常工作可以保证10年不出问题。触摸屏安装后,换能器是隐藏起来的,但是在运输和安装过程中需要小心谨慎,裸露的换能器晶体不能碰撞挤压。表面声波触摸屏有X、Y轴两对传感器,利用屏幕表面的声表面波来检测手指触摸,可以说,工作面是一层看不见、打不坏的声能,不怕暴力使用,最适合公共信息查询。
    以上谈了一些触摸屏技术领域的概念,当然,只是是纯技术原理的一些探讨,评判一种触摸屏,光是技术原理还只是其中的一部分,触摸屏要应用到各个领域,还要抵受千触万摸,选用材料的耐用性如何,反应速度如何,价格能否承受,这些都是理性的评判一种触摸屏。
    由于目前基于电阻技术的触摸屏由于价格低廉,亦可满足绝大多数,下面着重介绍一下电阻式触摸屏的基本原理:
    电阻触摸屏的屏体部分是一块与显示器表面非常配合的多层复合薄膜,由一层玻璃或有机玻璃作为基层,表面涂有一层透明的导电层,上面再盖有一层外表面硬化处理、光滑防刮的塑料层,它的内表面也涂有一层透明导电层,在两层导电层之间有许多细小(小于千分之一英寸)的透明隔离点把它们隔开绝缘。如图6-3

    图6-3 电阻触摸屏剖面结构
    图6-4
    当手指触摸屏幕时,平常相互绝缘的两层导电层就在触摸点位置有了一个接触,因其中一面导电层接通Y轴方向的 5V均匀电压场,使得侦测层的电压由零变为非零,控制器侦测到这个接通后,进行A/D转换,并将得到的电压值与5V相比即可得触摸点的Y轴坐标,同理得出X轴的坐标,这就是所有电阻技术触摸屏共同的最基本原理。
    电阻类触摸屏的关键在于材料科技。常用的透明导电涂层材料有:
    ①ITO,氧化铟,弱导电体,特性是当厚度降到1800个埃(埃=10-10米)以下时会突然变得透明,透光率为80%,再薄下去透光率反而下降,到300埃厚度时又上升到80%。ITO是所有电阻技术触摸屏及电容技术触摸屏都用到的主要材料,实际上电阻和电容技术触摸屏的工作面就是ITO涂层。
    ②镍金涂层,五线电阻触摸屏的外层导电层使用的是延展性好的镍金涂层材料,外导电层由于频繁触摸,使用延展性好的镍金材料目的是为了延长使用寿命,但是工艺成本较为高昂。镍金导电层虽然延展性好,但是只能作透明导体,不适合作为电阻触摸屏的工作面,因为它导电率高,而且金属不易做到厚度非常均匀,不宜作电压分布层,只能作为探层。
    五线电阻触摸屏:
    五线电阻技术触摸屏的基层把两个方向的电压场通过精密电阻网络都加在玻璃的导电工作面上,我们可以简单的理解为两个方向的电压场分时工作加在同一工作面上,而外层镍金导电层只仅仅用来当作纯导体,有触摸后分时检测内层ITO接触点X轴和Y轴电压值的方法测得触摸点的位置。 五线电阻触摸屏内层 ITO需四条引线,外层只作导体仅仅一条,触摸屏得引出线共有5条。五线制电阻触摸屏的结构如图6-5
    图6-5 五线制触摸屏的结构
     
    四线电阻触摸屏的缺陷:
    电阻触摸屏的B面要经常被触动,四线电阻触摸屏的B面采用ITO,我们知道, ITO是极薄的氧化金属,在使用过程中,很快就会产生细小的裂纹,而裂纹一旦产生,原流经该处的电流被迫绕裂纹而行,本该均匀分布的电压随之遭到破坏,触摸屏就有了损伤,表现为裂纹处点不准。
    图6-6 四线制触摸屏的裂纹导致分流
    随着裂纹的加剧和增多,触摸屏慢慢就会失效,因此使用寿命不长是四线电阻触摸屏的主要问题。
    五线电阻触摸屏的改进:
    首先五线电阻触摸屏的A面是导电玻璃而不是导电涂覆层,导电玻璃的工艺使得A面的寿命得到极大的提高,并且可以提高透光率。
    其次五线电阻触摸屏把工作面的任务都交给寿命长的A面,而B面只用来作为导体,并且采用了延展性好、电阻率低的镍金透明导电层,因此,B面的寿命也极大的提高。
    五线电阻触摸屏的另一个专有技术是通过精密的电阻网络来校正A面 的线性问题:由于工艺工程不可避免的有可能厚薄不均而造成电压场不均匀分布,精密电阻网络在工作时流过绝大部分电流,因此可以补偿工作面有可能的线性失真。
    五线电阻触摸屏是目前最好的电阻技术触摸屏,最适合于军事、医疗领域使用。
    但是四线电阻触摸屏由于价格低廉,在通用领域的运用,下面将结合S3C2410内置的触摸屏控制器来详细讲解整个触摸屏电路的工作及测量过程。
    下图是四线电阻触摸屏测量时的等效电路(图6-7):

    图6-7

    测量时,分为以下3个步骤:
    (1) 起初,在触摸屏没有被按下的时候,触摸屏的X轴和Y轴不会接触在一起,此时这个电路处在“Pen Down Detect”状态。S1、S2、S4断开,S3、S5闭合。X+~X-的整个轴上的电压均为0V(GND),Y-端悬空,Y+端由于有上拉电阻R1的存在而呈现高电平。当“Pen Down”后,X轴和Y轴受挤压而接触导通后,Y轴上的电压由于连通到X轴接地而变为低电平,此低电平可做为中断触发信号来通知CPU发生“Pen Down”事件。
    (2) 当检测到“PenDown”事件后,CPU立刻进入X轴坐标测量状态:S1、S3闭合,S2、S4、S5断开(Y+、Y-两断悬空)。由于X轴和Y轴在接触点按下而连通,因此Y+端的X_ADC可以认为是X轴的分压采样点(通过测量X_ADC的电压可以得到X+到接触点,以及X-到接触点的比例),从而计算出X轴的坐标
    (3) 采样完X轴的坐标后,S1、S3、S5断开,S2、S4闭合,同样原理,我们可以进一步得到Y轴的坐标。
    二、S3C2410 模数转换器(ADC)及触摸屏控制器
    S3C2410内置1个8信道的10bit模数转换器(ADC),该ADC能以500KSPS的采样资料将外部的模拟信号转换为10bit分辩率的数字量。同时ADC部分能与CPU的触摸屏控制器协同工作,完成对触摸屏绝对地址的测量。
    特性:
    -分辩率:10bit
    -相信误差:+/- 2LSB
    -最大转换速率:500KSPS
    -模拟量输入范围:0~3.3V
    -分步 X/Y坐标测量模式
    -自动X/Y坐标测量模式
    -中断等待模式
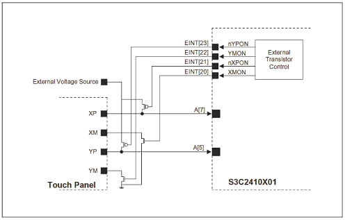
    下图是ADC及触摸屏控制器部分的逻辑示意图(图6-8)

    图6-8
    随后的图是在S3C2410的ADC以及触摸屏控制器的基础上外接触摸屏的示意图,以及外部电路的实际原理图。需要补充说明的是,图中Q1、Q2为P沟道MOS管,开门电压为1.8V;Q3、Q4为N沟道MOS管,开门电压为2.7V。运用学过的电子电路的知识,我们知道当MOS管导通后(栅极电压达到开门电压之后),MOS管的源-漏极之间可以认为是直通的(导通电阻为毫欧级),即可以把MOS管认为是图4-7中真正的“开关”。 AVDD 是外部模拟参考源,一般接3.3V电源,XP、XM和YP、YM分别是触摸屏的4条引线,各自对应X轴和Y轴电阻。
    图6-8
     
    ADC及触摸屏控制器的工作模式:
    1、 ADC普通转换模式(Normal Converson Mode)
    普通转换模式(AUTO_PST=0,XY_PST=0)是用来进行一般的ADC转换之用的,例如通过ADC测量电池电压等等。
    2、 独立X/Y轴坐标转换模式(Separate X/Y Position Conversion Mode)
    独立X/Y轴坐标转换模式其实包含了X轴模式和Y轴模式2种模式。
    首先进行X轴的坐标转换(AUTO_PST=0,XY_PST=1),X轴的转换资料会写到ADCDAT0寄存器的XPDAT中,等待转换完成后,触摸屏控制器会产生相应的中断。
    然后进行Y轴的坐标转换(AUTO_PST=0,XY_PST=2),Y轴的转换资料会写到ADCDAT1寄存器的YPDAT中,等待转换完成后,触摸屏控制器会产生相应的中断。
    3、 自动X/Y轴坐标转换模式(Auto X/Y Position Conversion Mode)
    自动X/Y轴坐标转换模式(AUTO_PST=1,XY_PST=0)将会自动地进行X轴和Y轴的转换操作,随后产生相应的中断。
    4、 中断等待模式(Wait for InterruptMode)
    在系统等待“Pen Down”,即触摸屏按下的时候,其实是处于中断等待模式。一旦被按下,实时产生“INT_TC”中断信号。每次发生此中断都,X轴和Y轴坐标转换资料都可以从相应的资料寄存器中读出。
    5、 闲置模式(Standby Mode)
    在该模式下转换资料寄存器中的值都被保留为上次转换时的资料。

    ADC及触摸屏控制器的寄存器详解
    ADCCON :ADC控制寄存器(见图6-9)
    ENABLE_START :
    置1:启动ADC转换
    置0:无操作
    RESR_START :
    置1:允许读操作启动ADC转换
    置0:禁止读操作启动ADC转换
    STDBM:
    置1:将ADC置为闲置状态(模式)
    置0:将ADC置为正常操作状态
    SEL_MUX:选择需要进行转换的ADC信道
    PRSCVL:ADC转换时钟预分频参数
    PRSCEN:ADC转换时钟使能
    ECFLG:ADC转换完成标志位(只读)
    为1:ADC转换结束
    为0:ADC转换进行中


    图6-9
    ADCTSC :触摸屏控制寄存器(见图6-10)
    XY_PST :对X/Y轴手动测量模式进行选择
    AUTO_PST:X/Y轴的自动转换模式使能位
    PULL_UP :XP端的上拉电阻使能位
    XP_SEN :设置nXPON输出状态
    XM_SEN :设置XMON输出状态
    YP_SEN :设置nYPON输出状态
    YM_SEN :设置YMON输出状态

    图6-10

    ADCDLY :ADC转换周期等待定时器(见图6-11)

    ADCDAT0 :ADC资料寄存器0(见图6-12)
    XPDATA :X轴转换资料寄存器
    XY_PST :选择X/Y轴自动转换模式
    AUTO_PST:X/Y轴自动转换使能位
    UPDOWN :选择中断等待模式的类型
    为0:按下产生中断
    为1:释放产生中断
    图6-12
    ADCDAT1 : ADC资料寄存器1(见图6-13)
    定义类同于ADCDAT0。
    图6-13


    www.ic72.com 达普IC芯片交易网
  • 行业动态
  • 市场趋势
  • 政策法规
  • 新品发布
  • Baidu

    IC快速检索:abcdefghijklmnopqrstuvwxyz0123456789
    COPYRIGHT:(1998-2010) IC72 达普IC芯片交易网
    客户服务:service@IC72.com 库存上载:IC72@IC72.com
    (北京)联系方式: 在线QQ咨询:点击这里给我发消息 联系电话:010-82614113 传真:010-82614123
    京ICP备06008810号-21 京公网安备 11010802032910 号 企业资质